Да, ещё Крону одну получил
Во блин, в два раза больше энергии, чем у моей 
Форум про радио и не только |
Привет, Гость! Войдите или зарегистрируйтесь.
Вы здесь » Форум про радио и не только » Прочее » Покупки на AliExpress и в других магазинах
Да, ещё Крону одну получил
Во блин, в два раза больше энергии, чем у моей 
Заказал на озоне насадки для клея. Иногда трудно нанести клей аккуратно, а этим носиком запросто получается. Много раз видел на видео, как с ними клеят, но не знал где их купить. И вдруг случайно попались.
100шт =107 руб.
Я давно такие видел на Али. Подумалось - баловство. Точно
этим носиком запросто получается
?
И как потом - засохший кончик отрезать или как?
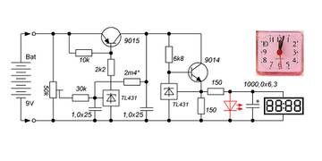
Всё присматривался к микросхеме CN3765, а тут попалось понятное подробное описание её функционала: https://compacttool.ru/dd28crta-modul-z … tora-1s-5s
Да и на Али уже готовые модули появились: https://ali.click/mgcbs3 Заказал один и пару микросхем, пока ехали сделал пару платочек. В общем: рекомендую самоделкиным... 
И как потом - засохший кончик отрезать или как?
Не знаю. Но похоже что они одноразовые. Приедут, тогда попробую…
Это для жидкого клея. Типа цианакрилат.
Отредактировано MSNG (2025-12-05 21:42:28)
Но похоже что они одноразовые.
Чичас ужо большинство одноразовое... 
Не знаю. Но похоже что они одноразовые.
Тогда получается большой расход клея впустую. Жалко...
Но похоже что они одноразовые.
То есть будет как с суперклеем -весь носик забьётся высохшим?
Тогда точно
большой расход клея впустую
Недавно купил на Али суперклей. Оформление тюбика 1:1 как в магазе было (сейчас у нас таких больше не найти, всё Момент да Бизон какие-то). 
Когда пришёл, вначале обиделся на китайцев - тюбики были в два раза меньше обычных. А потом понял всё преимущество этого - тюбик тратился за одно - два применения и не засыхал как было с обычными. Раз намазал. Потом проткнул иглой клеевую пробку -два. На третий уже половина - треть тюбика как камень. Тут, если даже высохло, как было один раз, то совсем немного и не жалко.
Отредактировано SerSer (2025-12-06 01:07:37)
Этот хобот толстый надо отрезать до нужной длины, не обязательно его весь клеем заполнять. Это зависит от пузырька или тюбика, в котором клей.
«Ну вы, блин, даёте» (С) 
Отредактировано MSNG (2025-12-06 08:36:46)
не обязательно его весь клеем заполнять
Это как это?
MSNG написал(а):
Не знаю. Но похоже что они одноразовые.
Тогда получается большой расход клея впустую. Жалко...
Так это если херню с помощью херни клеить, а если телегу то и несколько тюбиков мало будет. 
получается большой расход клея впустую. Жалко...
жалко что это потом будет выброшено и будет отравлять экологию. Вот это как раз тот случай когда надо сжечь. Разве не так?
Пока только зарядил, надо найти платку измерителя ёмкости для "Крон".
Платку нашёл вчера, правда делал для замера простых Ni-MH Крон, не суть. Поставил жёлто-зелёную к вечеру, разрядный ток 20мА, часики отсчитали ровно 12 часов до отключения кроны. И сколько ампер-часов у нас получилось полезных? 

Отредактировано FDoich (2025-12-07 13:46:06)
240 мАч, 2160 мВт.ч
Если прикинуть к.п.д. преобразователя 0.95, то внутрях стоит акк. ёмкостью 0.25 мАч.
240 мАч, 2160 мВт.ч
Если прикинуть к.п.д. преобразователя 0.95, то внутрях стоит акк. ёмкостью 0.25 мАч.
Аккумулятор напряжением 3,7В должен иметь ёмкость побольше явно. 
то внутрях стоит акк. ёмкостью 0.25 мАч.
Не учли, что акк. внутрях на 3,7 вольта...
Сейчас стоит на разряде один из "старых" 4-х, в которых замеренный литий 1200мАч, сравним...
0.25 мАч - явная ошибка, хотел написать 0.25 Ач.
Аккумулятор напряжением 3,7В должен иметь ёмкость побольше явно.
Ну да, ошибка. Берём измеренную энергоёмкость 2160 мВт.ч, делим на 3.7 В, получаем около 580 мАч.
Если ещё учесть к.п.д 0.95, то ёмкость будет около 610 мАч.
Но с другой стороны - обывателю до лампочки какой там внутри аккумулятор и какой там преобразователь.
Ему вполне достаточно знать, что он обладает Кроной ёмкостью 250 мАч.
И ещё, вот вы измерили ёмкость свежезаряженного аккумулятора.
Было бы интересно его снова полностью зарядить, отложить, скажем,
на месяц и потом снова измерить ёмкость.
Это позволит прикинуть сколько потребляет преобразователь в "спящем" режиме.
Отредактировано Tadas (2025-12-07 15:50:59)
Это позволит прикинуть сколько потребляет преобразователь в "спящем" режиме.
Я уже как-то писАл, в цэшку вставил литий-ионный аккумулятор небольшой, самый массовый от Nokia, что-то из серии BL-5. Поставил преобразователь на SY8008. Я их не беру готовые платки на Али, а паяю по мере надобности. Поставил его неотключаемым, хотел прикинуть, сколько он потребляет. Прибором пользовался редко. Больше года он продержался, и продолжал включаться, как ни в чём не бывало, за всё время я его больше не заряжал. Напряжение на батарее оставалось около 3,9В. Сделал вывод: без нагрузки этот преобразователь потребляет микроамперы/доли микроампер.
P.S. Не в курсе, сколько может потреблять преобразователь в "Кроне", но думаю, что тоже пренебрежительно мало.
Не в курсе, сколько может потреблять преобразователь в "Кроне", но думаю, что тоже пренебрежительно мало.
Я 2,5 года назад у тех замерял, точнее одного вскрытого, на Казусе писал, сейчас не помню, но очень несущественно...
Поставил преобразователь на SY8008
Вообще-то это понижайка, наверное с MT3608 попутали.
Отредактировано FDoich (2025-12-07 18:17:26)
Поставил ту Крону "в мультиметр " же , посмотрим сколько продержится. Так же поставил оба АА в часы настенные. Опять же посмотрим, продержится ли хотя бы пол-года.
Вообще-то это понижайка, наверное с MT3608 попутали.
Ничего не попутал.
Давно вы встречали цэшки на "кронах"? Вот и у меня цэшка от двух элементов питания ААА работает, т.е., от 3 Вольт и меньше.
Так что МТ3608 мне в этом варианте абсолютно непригодный вариант. 
А вот SY8008 - великолепный выбор. Работают без замечаний. Я их применяю, когда один или два элемента надо заменить на литий.
Отредактировано angren68 (2025-12-07 19:13:31)
Давно вы встречали цэшки на "кронах"? Вот и у меня цэшка от двух элементов питания ААА работает, т.е., от 3 Вольт и меньше.
У меня всякие есть, и на Кронах и на 2-х АА. Для последних китайцы тоже обновку соорудили: https://ali.click/y99jss Обе уже опробовал... 
А что мне поставить в мою Ц-..шку , где место под батарею 3336 ?
Пока что она питается лишь от сетевого БП ВиНи .
Попробуй любой литий...
У меня всякие есть, и на Кронах и на 2-х АА. Для последних китайцы тоже обновку соорудили: https://ali.click/y99jss Обе уже опробовал...
У меня нет цэшек на "Кронах", и ещё раз повторю, я НЕ использую эти модули из Китая! Мне такие платки даже бесплатно не нужны, честное слово!
У меня подобных много (кстати, "понижаек" нет), от товарища ушедшего осталось много, но мне чисто для моего восприятия мира не нравится куча платок, спаянных между собой проводками. Мне проще всё это развести на одной плате. Я не говорю, что я делаю "правильно", а вы делаете не "по-фэншую", и никаких даже намёков на претензии нет.
Каждый дрочит так, как хочет.
Сейчас стоит на разряде один из "старых" 4-х, в которых замеренный литий 1200мАч, сравним...
Вот всё и сложилось. Везде "инфляция", мать её...
Аккумулятор с более чем двухлетним стажем протянул 19 часов 50 минут... И "старичок" на целых 6 грамм тяжелее... Вот как-то так. Жду ещё 3 штуки.
Позавчера понадобился силиконовый клей приклеить шкалу р/приёмника к корпусу.
Полез за тем, что был в польском ремкомплекте с кружочками для ремонта ПДУ. Тюбик оказался пластичным застывшим куском резины. Пришлось воспользоваться "Моментом".
К чему это я? Вот сегодня утром натолкнулся. Молодцы "братья навек" - никакого клея и никакой фольги от сигаретных пачек уже не нужно
и цена - копейки.
Отредактировано SerSer (2025-12-11 13:36:18)
А у меня лежит тюбик Момента (которого сейчас десяток разновидностей развелось), который нифига не клеит, но при этом как вчера выпущенный в тюбике. Уже который год лежит..
который нифига не клеит, но при этом как вчера выпущенный в тюбике. Уже который год лежит..
Он, видимо, неопреновый? Его надо намазать на обе поверхности и подождать минут 20. А потом соединить.
Отредактировано f300 (2025-12-11 18:22:37)
| Пылесос для сверильного станочка | Технология | 2024-01-03 |
| Проблемы форума. | О форуме | 2026-04-03 |
| Беседы с искусственным интеллектом или я спросил у ИИ | Не про радио | Вчера |
| Что раньше было в эфире. И что есть сейчас. | Радиоприем. Радиосвязь | 2026-04-12 |
| А поговорить ... | Не про радио | 2024-08-17 |
Вы здесь » Форум про радио и не только » Прочее » Покупки на AliExpress и в других магазинах