В продаже есть щупы к осциллографам Р4100, Р6100, Р6300, Р6500, Р7500….. и другие. Что такое 100,300 или 500 в общем-то понятно. А что такое Р4, Р6, Р7…?
О щупах осциллографа
Сообщений 1 страница 20 из 20
Поделиться22026-01-28 09:34:35
Вау!
Сам спросил, сам и отвечу. Посовещался с ИИ и все узнал…
Обозначения P4, P6, P7 в маркировке щупов осциллографа указывают на их рабочее напряжение (пиковое или импульсное) и соответствующий стандарт безопасности.
Эти обозначения происходят из стандарта EN 61010-031 (МЭК 61010-031), который классифицирует измерительные приборы и принадлежности к ним по категориям перенапряжения и степени загрязнения.
Расшифровка буквы "P"
P означает "Pulse" (импульсное). Это ключевой момент. Речь идет не о постоянном или среднеквадратичном (RMS) напряжении, а о максимальном пиковом напряжении короткого импульса, которое щуп может безопасно выдержать без пробоя изоляции.Такие импульсы (например, из-за коммутационных перенапряжений, всплесков в цепях с ключевыми элементами) гораздо опаснее для изоляции, чем постоянное напряжение той же амплитуды.
Расшифровка цифр (4, 6, 7)
Цифра указывает на уровень рабочего импульсного напряжения в киловольтах (кВ).P4 = Пиковое импульсное напряжение до 4 кВ (4000 В).
P6 = Пиковое импульсное напряжение до 6 кВ (6000 В).
P7 = Пиковое импульсное напряжение до 7 кВ (7000 В).
Для чего это нужно и где применяется?
Чем выше категория (P6, P7), тем в более "жестких" условиях с точки зрения перенапряжений можно использовать щуп. Это напрямую связано с местом измерения в электрической цепи:P4 (4 кВ): Подходит для большинства низковольтных и силовых цепей в оборудовании (источники питания, контроллеры, двигатели), где есть риск импульсных помех, но общий уровень напряжения невысок.
P6 (6 кВ): Применяется для измерений в промышленных силовых сетях, цепях управления мощными двигателями, системах с мощными преобразователями. Это стандартный уровень для многих "силовых" дифференциальных щупов.
P7 (7 кВ) и выше: Используются для специализированных высоковольтных измерений, например, в силовой электронике (измерение формы напряжения на ключах в инверторах, драйверах), в исследованиях мощных импульсных систем. Часто это дифференциальные щупы, специально разработанные для работы в условиях высоких синфазных напряжений.
Важные сопутствующие параметры
Категория по напряжению (CAT): Часто идет вместе с классом P. Например, CAT III 1000V P6. CAT определяет, в какой точке электроустановки можно безопасно работать (CAT I — защищенные цепи, CAT IV — ввод в здание, счетчик).Максимальное входное напряжение (DC + peak AC): Указывается отдельно. Например, 1000 В (DC+AC peak). Это общее ограничение по постоянному и переменному напряжению.
Коэффициент деления: 1:10, 1:100, 1:500 и т.д. Щупы P6/P7 обычно имеют высокий коэффициент деления (1:100, 1:500) для ослабления высокого напряжения до безопасного для входа осциллографа (обычно до 100 В).
Краткий итог в виде таблицы:
Обозначение Максимальное импульсное напряжение Типичная область применения
P4 4 кВ Электроника, низковольтные силовые цепи, цепи управления.
P6 6 кВ Промышленные силовые цепи (до ~1000 В), измерения в цепях с мощными ключами и двигателями.
P7 7 кВ Специализированные высоковольтные измерения в силовой электронике, инверторах, импульсных системах.
Всегда выбирайте щуп с рейтингом (P-категорией и CAT), который превышает ожидаемые уровни напряжения и опасности в вашей цепи. Использование неподходящего щупа может привести к его разрушению, повреждению осциллографа и, что самое главное, к серьезной травме оператора.
Поделиться42026-01-28 12:22:57
А я вот решил задуматься. Почему, собственно, вроде одинаковые щупы работают по разному? И можно ли как-то довести до нужного рабочего состояния ширпотреб из Китая? И стоит ли покупать дорогие китайские щупы, если их все равно надо допиливать…..
Если кому интересно, для затравки несколько ссылок:
Сначала как разобрать щуп
https://www.youtube.com/watch?v=FMNPtAXSijo
схемотехника и доработка шупа
https://www.youtube.com/watch?v=3c3Xkt7m4IY
https://dzen.ru/a/aDxbi4pZxyfBUh-d
Поделиться52026-01-28 14:22:31
Плюсанул, полезно.
Попутно - а нет ни у кого доступа к двум метрам для меня, этого хитрого кабеля для щупов ?? Может старые запасы, так как давно чесалось сделать себе щуп "козырный" 1:10 без переключателей этих.
К скопам имею особо трепетное отношение )). Весьма полезный прибор.
Отредактировано prusony (2026-01-28 14:25:23)
Поделиться62026-01-28 14:41:05
Ищите кабель РК-200 с нихромовой моножилой 0,07 мм.
Поделиться82026-01-28 22:25:16
Во, блин! Оказывается, и на моём щупе что-то напечатано, правда, по фотке трудно разобрать. Никогда не задумывался, что это что-то значит.
Достал свой щуп, и не обнаружил на нём такой маркировки. Только шильдик с характеристиками, переключатель делителя 1:1 / 1:10 и подстроечный конденсатор для выравнивания импульса.
Взрыв мозга, если что... Так что там у вас на самом-то деле?! То есть маркировка, то нет. Как-то непонятно вы информацию преподносите, от слова "совсем". 
Поделиться92026-01-29 06:59:58
Что тут непоятного? Первую фотку я взял с сайта изготовителя, т.к. был далеко от осциллографа. А последние сделал сам.
Поделиться102026-01-29 08:43:36
Что тут непоятного? Первую фотку я взял с сайта изготовителя, т.к. был далеко от осциллографа. А последние сделал сам.
Если бы первая фотка значилась, что с сайта производителя, вопросов бы не возникло. 
Поделиться112026-01-29 16:58:17
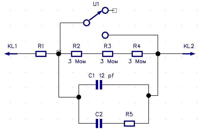
Вскрыл один щуп. Это что-то….
Во первых отмыл остатки флюса с платы.
Вместо резистора R1 стоит перемычка. В целом схема моего щупа Р6100 выглядит так:
Но С2 не установлен.
Доработка:
Установил R1=390 ом, С1=12 пф, С2 и R5 паять не стал. В схемах из интернета их нет. В итоге получился вот такой сигнал меандр на 3 Мгц.
Вполне прилично, по сравнению с тем, что было раньше.
Покупайте китайские щупы
(шутка)
Поделиться122026-01-29 18:34:46
А пару килогерц прямоугольник можете посмотреть? Кстати, сколько видел делителей, все содержали подстроечный триммер для выравнивания вершины импульса, т.е. АЧХ.
Поделиться142026-01-29 20:17:58
Но на вашей схеме нет подстроечника.
Поделиться162026-01-29 20:50:20
Кабель тут не при чём. В аттенюаторе осциллографов на каждом делителе свой подстроечник. Резисторы делят сигнал низких частот, конденсаторы - высоких. Коэффициенты деления должны быть одинаковые. Ёмкость кабеля всего лишь входит в состав делителя. А сопротивление пренебрежимо мало. Но и без кабеля конденсаторы будут нужны.
Поделиться172026-01-29 21:01:12
И куда предлагаете вставить эти конденсаторы?
В конструкции щупа они не предусмотрены. Цепочка С2 R5 (на схеме) видимо подправляла АЧХ на высоких частотах. Но номиналов я не знаю, а генератора ВЧ для проверки у меня нет. Поэтому просто не стал ставить эти детали.
В итоге что есть, то и имеем…. 
Отредактировано MSNG (2026-01-29 21:04:26)
Поделиться182026-01-29 21:38:22
Да нет, просто подстроечный конденсатор тоже должен быть отображён на схеме делителя, он является неотъемлемой его частью. Другое дело, что он параллельно входной ёмкости осциллографа, поэтому при использовании щупа с другим осциллом придётся его подстраивать.
Поделиться192026-02-03 16:14:13
Наше ссылку. Вдруг кому будет интересно. И в тему!
Щуп осциллографа. Устройство и принцип работы
Поделиться202026-02-03 22:30:16
Интересно, спасибо, и ЛТ-спайс пользую, прога бесплатная и оч мощная, правда давно не грузил, вот есть повод, тоже повозится со щупом...
Похожие темы
| Покупки на AliExpress и в других магазинах | Прочее | 2026-01-30 |
| Все о детекторном радиоприемнике | Радиоприем. Радиосвязь | 2025-05-06 |
| MAX999 | Консультации | 2022-07-12 |
| Вопрос-ответ,или просто поговорить, но про радио | Консультации | 2025-08-02 |









